Цифровой осциллограф MSO7104X
Серия MSO7000X Серия MSO7000X — это новый осциллограф для смешанных сигналов с полосой пропускания до 2 ГГц и частотой дискретизации до 10 Гвыб/с. В нём используется уникальная технология UltraAcq®, позволяющая увеличить скорость захвата сигнала до 800 000 волновых форм в секунду. Он поддерживает множество расширенных функций измерения и анализа, а также автоматическое измерение до 48 параметров, что в значительной степени удовлетворяет потребности инженеров в измерениях. Оснащен 64-разрядной операционной системой Win10, обеспечивающей пользователям стабильную и масштабируемую системную платформу. Оснащен 15,6-дюймовым емкостным сенсорным экраном высокой четкости, поддерживающим отображение нескольких окон на разделенном экране и управление несколькими жестами. Может широко использоваться в сфере связи, аэрокосмической отрасли, образовании и многих других отраслях и сферах.
ПРОПУСКНАЯ СПОСОБНОСТЬ: 1–2 ГГц
АНАЛОГОВЫЕ КАНАЛЫ: 4
Частота дискретизации в реальном времени: 10 ГПа/с
МАКС. ГЛУБИНА ПАМЯТИ: 1Gpts
Скорость захвата сигнала: 2 000 000 слов в минуту
ЦИФРОВЫЕ КАНАЛЫ: 16 (необязательно)
Многооконная компоновка Духовный макет для максимальной наглядности
●Любая комбинация
●Любой размер
●Поплавок\притопление
●Полноэкранный режим\разделение окна
●∞
Частота дискретизации сигнала до 2 000 000 выборок в секунду В осциллографе MSO7000X используется уникальная технология UltraAcq®, которая позволяет увеличить скорость захвата сигналов в реальном времени до более чем 800 000 выборок в секунду. Благодаря новой технологии отображения Ultra Phosphor® 3.0 можно четко видеть переходные процессы.
Windows + Откройте для себя больше возможностей Поддержка встроенного программирования MATLAB.
Результаты работы отображаются непосредственно в окне осциллографа.
● Удаленный рабочий стол
● Доступ к общему диску
● Мощные возможности обработки данных
● Многозадачность
● ∞
Измерение и анализ мощности Предоставьте полный набор аналитических инструментов и результатов оценки
●Качество электроэнергии
●Гармонический анализ
●Коммутационные потери
●Безопасная зона эксплуатации
●Анализ пульсаций
●Анализ контура
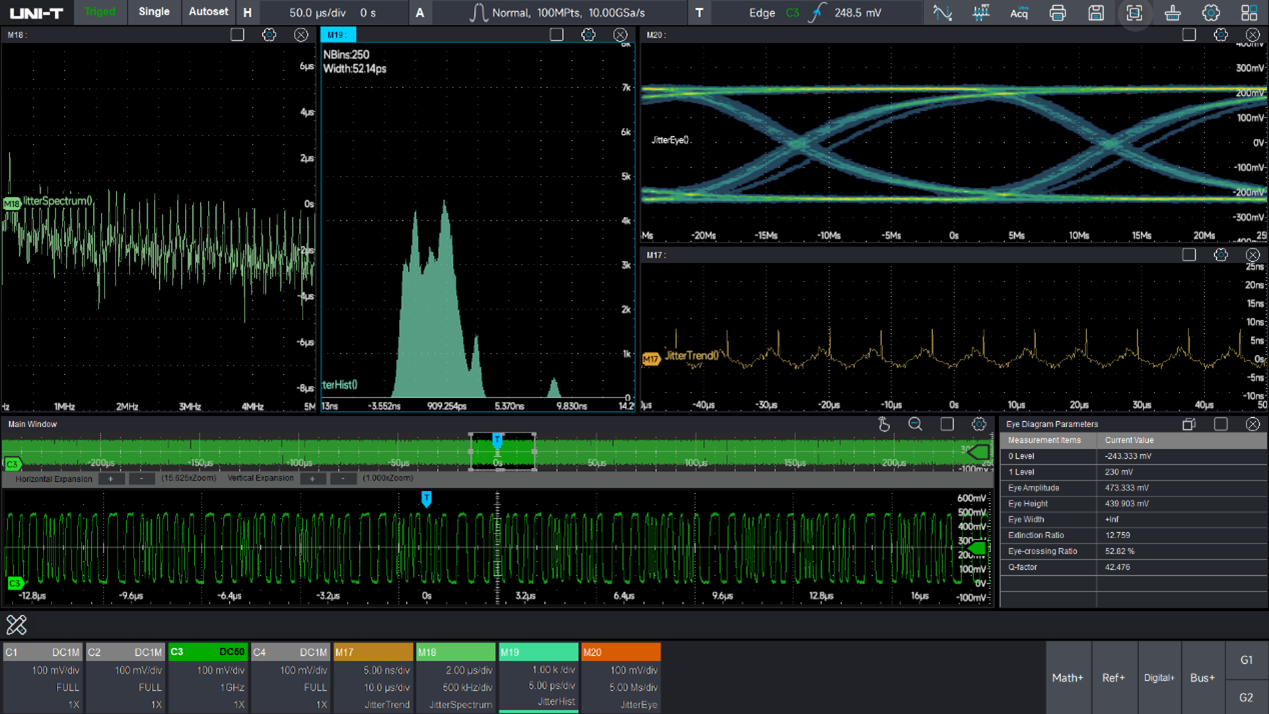
Анализ джиттера и диаграмма «глаз» Эффективное измерение тактовой частоты и последовательной шины
●TIE, TJ, DJ, RJ, PJ, DDJ, DCD
●Диаграмма тенденций TIE, спектрограмма TIE
●Гистограмма TIE
●Кривая Бат
Запуск и анализ последовательного протокола Анализ до 11 последовательных протоколов
Веб - сервер ● Удаленное управление SCPI
● Удаленный просмотр и управление
● Экспорт файлов с данными
● Просмотр руководства в режиме онлайн
● Поддержка доступа с мобильного телефона
● ∞
Поставка оборудования — в 6 этапов
01. Комплектация в условиях санкций
Мы обеспечиваем поставку оборудования любых брендов даже в текущих условиях. Работая через собственные компании в Китае и Индонезии, мы импортируем технику официально и прозрачно.
Если вам нужна помощь в подготовке технического задания — наши инженеры помогут его составить на основании ваших задач.
02. Подбор оборудования
В течение нескольких часов после получения ТЗ наши специалисты подберут оптимальные варианты конфигураций под ваши требования и бюджет. Все решения сопровождаются расчетом стоимости и сроков поставки.
03. Подписание договора
Заключаем официальный договор, в котором фиксируются все ключевые параметры: стоимость, сроки поставки, перечень оборудования и гарантии исполнения.
04. Доставка на наш склад или отгрузка из наличия
Оборудование доставляется на наш склад в Красноярске. Мы берем на себя все логистические и таможенные вопросы. Если оборудование уже в наличии, то отгружаем в кратчайшие сроки.
05. Доставка клиенту
Осуществляем отгрузку в любой город России и стран Таможенного союза — любым удобным способом: автотранспортом, ж/д или авиа.
06. Передача и сопровождение
По необходимости — осуществляем сборку, настройку, первичное включение и техническое сопровождение оборудования.
Как оформить заказ
Вы можете заказать комплектующие из нашего каталога одним из способов:
-
через онлайн-форму заказа на сайте;
-
запросив подбор оборудования у наших специалистов.
Если вам требуется обслуживание или ремонт оборудования — свяжитесь с нами любым удобным способом. Мы подготовим персональное предложение с учетом ваших задач.
Также рекомендуем ознакомиться с услугами компании, которые могут быть полезны вашему бизнесу.
Комфортные условия работы
Мы сотрудничаем как с физическими, так и с юридическими лицами. Все сделки сопровождаются полным пакетом юридических документов. Работаем по ЭДО и традиционному документообороту. Принимаем оплату наличными и безналичными способами.
Способы оплаты
-
Предоплата — размер согласуется индивидуально с вашим менеджером.
-
Оплата по факту отгрузки продукции.
-
Предоставляем рассрочку до 12 месяцев, возможность приобрести оборудование по договору лизинга.
-
Иные формы оплаты — по договоренности с клиентским менеджером.
Мы поставляем оборудование по всей России и в страны СНГ.
Доставка:
-
Оперативно отправляем через любую транспортную компанию или логистическую сеть — выбор за вами.
-
Возможен самовывоз с наших складов или складов партнёров.
Актуальный список городов для самовывоза уточняйте у менеджера.


