Цифровой осциллограф MSO2104X
Серия MSO2000X Осциллограф смешанных сигналов серии MSO2000X обеспечивает максимальную частоту дискретизации 5 Гвыб/с и глубину памяти до 100 млн точек. В нем используется эксклюзивная технология Ultra Phosphor 3.0, обеспечивающая скорость захвата сигнала до 2 000 000 волн в секунду, а также 256-уровневый дисплей цветовой температуры. Благодаря усовершенствованной цифровой системе запуска точность запуска составляет 10 пс. Осциллограф поддерживает 9 типов расширенных триггеров, 9 типов запуска и декодирования по последовательной шине, а также расширенные функции и режимы анализа, такие как анализ спектра, анализ мощности, гистограммы, запись формы сигнала, улучшенное разрешение, тестирование на прохождение/непрохождение, поиск и навигация. Он также оснащён обширными функциями измерения и математических вычислений. Устройство оснащено 10,1-дюймовым ёмкостным сенсорным экраном, поддерживающим различные жесты для выполнения стандартных операций с формой сигнала, а также веб-сервером для удалённого управления. Это универсальный и мощный прибор.
ПРОПУСКНАЯ СПОСОБНОСТЬ: 100–300 МГц
АНАЛОГОВЫЕ КАНАЛЫ: 4
Частота дискретизации в реальном времени: 5 ГСа/с
МАКС. ГЛУБИНА ПАМЯТИ: 100 баллов
Скорость захвата сигнала: 2 000 000 слов в минуту
ЦИФРОВЫЕ КАНАЛЫ: 16
Универсальное Испытательное Оборудование - Осциллографы
- Логический анализатор
- Генератор функций/произвольных сигналов
- Анализатор спектра
- Анализатор протоколов
- Анализатор мощности
- Анализатор графиков Боде
- Высокоточный частотомер
- Цифровой вольтметр
Ультрафосфор 3.0 Ultra Phosphor 3.0 с его усовершенствованной программно-аппаратной архитектурой поддерживает 8-канальное параллельное графическое отображение, обеспечивая скорость обработки до 20 Гбит/с и скорость захвата формы сигнала до 500 000 волновых форм в секунду, а в последовательном режиме — до 2 000 000 волновых форм в секунду, при этом минимальное время простоя составляет менее 1 мкс. Это позволяет обнаруживать спорадические сигналы и редкие аномалии.
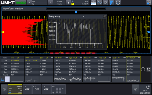
54 типа: измерения, статистика, графики тенденций 54 типа точных автоматических измерений параметров, охватывающих множество параметров, таких как напряжение, частота, фаза. Кроме того, прибор оснащен расширенной статистикой параметров и функциями анализа с визуализацией графиков тенденций, что обеспечивает комплексное и многомерное отображение изменений характеристик сигнала, позволяя получать глубокие аналитические данные профессионального уровня и эффективно интерпретировать их.
Декодирование и запуск протокола Поддерживает 9 основных типов протоколов, в том числе
- Встроенные: UART, I2C, SPI
- Автомобильные: CAN, CAN-FD, LIN, FlexRay, SENT
- Аудио: I2S (Audio-I2S, Audio-LJ, Audio-RJ)
Оснащен функцией точного обнаружения аномалий и возможностью декодирования в реальном времени. Он декодирует 200 млн данных менее чем за 1 секунду и поддерживает инновационный одновременный анализ четырех шин, предоставляя быстрые и глубокие решения для анализа протоколов в сложных системах связи.
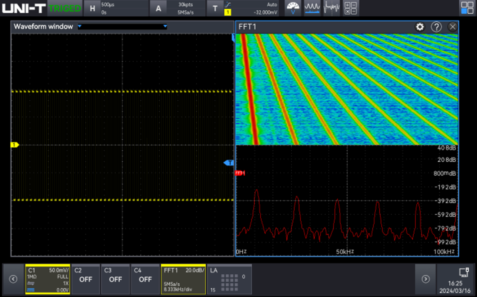
Анализатор спектра -БПФ максимум в 4 метрах точек
-Кривая водопада
-Автоматическое измерение маркера
- 4 трассы
-Одновременный запуск 4-канального БПФ
Оснащенный технологией полного аппаратного ускорения, этот продукт обеспечивает сверхбыструю выборку до 4 миллионов точек, значительно повышая точность измерений частоты и амплитуды. Инновационная интеграция функций поиска пиков и маркеров частотной области помогает пользователям точно фиксировать и глубоко анализировать динамику сложных сигналов в цепях, значительно повышая эффективность анализа цепей и предоставляя пользователям исключительный опыт тестирования.
Анализ мощности 6+ Он объединяет в себе функции анализа коэффициента подавления помех в источнике питания (PSRR), анализа реакции системы управления с обратной связью, оценки качества электроэнергии, обнаружения гармоник в токе и анализа импульсных токов, предоставляя комплексные и профессиональные решения для оценки производительности энергосистемы, стабильности и оптимизации. Цель состоит в повышении энергоэффективности и стабильности системы.
Поддерживает 12 тестов мощности в 2024 году.
Поставка оборудования — в 6 этапов
01. Комплектация в условиях санкций
Мы обеспечиваем поставку оборудования любых брендов даже в текущих условиях. Работая через собственные компании в Китае и Индонезии, мы импортируем технику официально и прозрачно.
Если вам нужна помощь в подготовке технического задания — наши инженеры помогут его составить на основании ваших задач.
02. Подбор оборудования
В течение нескольких часов после получения ТЗ наши специалисты подберут оптимальные варианты конфигураций под ваши требования и бюджет. Все решения сопровождаются расчетом стоимости и сроков поставки.
03. Подписание договора
Заключаем официальный договор, в котором фиксируются все ключевые параметры: стоимость, сроки поставки, перечень оборудования и гарантии исполнения.
04. Доставка на наш склад или отгрузка из наличия
Оборудование доставляется на наш склад в Красноярске. Мы берем на себя все логистические и таможенные вопросы. Если оборудование уже в наличии, то отгружаем в кратчайшие сроки.
05. Доставка клиенту
Осуществляем отгрузку в любой город России и стран Таможенного союза — любым удобным способом: автотранспортом, ж/д или авиа.
06. Передача и сопровождение
По необходимости — осуществляем сборку, настройку, первичное включение и техническое сопровождение оборудования.
Как оформить заказ
Вы можете заказать комплектующие из нашего каталога одним из способов:
-
через онлайн-форму заказа на сайте;
-
запросив подбор оборудования у наших специалистов.
Если вам требуется обслуживание или ремонт оборудования — свяжитесь с нами любым удобным способом. Мы подготовим персональное предложение с учетом ваших задач.
Также рекомендуем ознакомиться с услугами компании, которые могут быть полезны вашему бизнесу.
Комфортные условия работы
Мы сотрудничаем как с физическими, так и с юридическими лицами. Все сделки сопровождаются полным пакетом юридических документов. Работаем по ЭДО и традиционному документообороту. Принимаем оплату наличными и безналичными способами.
Способы оплаты
-
Предоплата — размер согласуется индивидуально с вашим менеджером.
-
Оплата по факту отгрузки продукции.
-
Предоставляем рассрочку до 12 месяцев, возможность приобрести оборудование по договору лизинга.
-
Иные формы оплаты — по договоренности с клиентским менеджером.
Мы поставляем оборудование по всей России и в страны СНГ.
Доставка:
-
Оперативно отправляем через любую транспортную компанию или логистическую сеть — выбор за вами.
-
Возможен самовывоз с наших складов или складов партнёров.
Актуальный список городов для самовывоза уточняйте у менеджера.


